加入收藏   |   設為首頁   |   在線留言
中文版 English
回轉支承
回轉驅動
回轉減速機
液壓油缸

徐州尚邦機械制造有限公司
地址:徐州市銅山區高新技術開發區
電話:0516-83406186
傳真:0516-80296010
郵箱:sales@xzshangbang.com

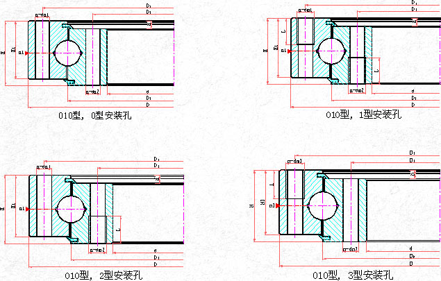
產品展示→ 回轉支承 單排四點接觸球式回轉支承(01系列)  

單排四點接觸球式回轉支承(01系列)


序號 基本型號 外型尺寸 安裝孔尺寸 結構尺寸 齒輪參數 外齒參數 內齒參數
無齒式 外齒式 內齒式 D d H D1 D2 n dn1 dm1 L n1 H1 h b x m da Z da Z
dn2 dm2
mm mm   mm   mm mm   mm mm   mm  
1 010.20.200 011.20.200 - 280 120 60 248 152 12 16 M14 28 2 50 10 40 0 3 300 98 - -
2 010.20.224 011.20.224 - 304 144 60 272 176 12 16 M14 28 2 50 10 40 0 3 321 105 - -
3 010.20.250 011.20.250 - 330 170 60 298 202 18 16 M14 28 2 50 10 40 0 4 352 86 - -
4 010.20.280 011.20.280 - 360 200 60 328 232 18 16 M14 28 2 50 10 40 0 4 384 94 - -
5 010.25.315 011.25.315 013.25.315 408 222 70 372 258 20 18 M16 32 2 60 10 50 0 5 435 85 190 40
6 010.25.355 011.25.355 013.25.355 448 262 70 412 298 20 18 M16 32 2 60 10 50 0 5 475 93 235 49
7 010.25.400 011.25.400 013.25.400 493 307 70 457 343 24 18 M16 32 2 60 10 50 0 6 528 86 276 48
8 010.25.450 011.25.450 013.25.450 543 357 70 507 393 24 18 M16 32 2 60 10 50 0 6 576 94 324 56
9 010.30.500 011.30.500 013.30.500 602 398 80 566 434 20 18 M16 32 4 70 10 60 0.5 5 629 123 367 74
012.30.500 014.30.500 6 628.8 102 368.4 62
10 010.25.500 011.25.500 013.25.500 602 398 80 566 434 20 18 M16 32 4 70 10 60 0.5 5 629 123 367 74
012.25.500 014.25.500 6 628.8 102 368.4 62
11 010.30.560 011.30.560 013.30.560 662 458 80 626 494 20 18 M16 32 4 70 10 60 0.5 5 689 135 427 86
012.30.560 014.30.560 6 688.8 112 428.4 72
12 010.25.560 011.25.560 013.25.560 662 458 80 626 494 20 18 M16 32 4 70 10 60 0.5 5 689 135 427 86
012.25.560 014.25.560 6 688.8 112 428.4 72
13 010.30.630 011.30.630 013.30.630 732 528 80 696 564 24 18 M16 32 4 70 10 60 0.5 6 772.8 126 494.4 83
012.30.630 014.30.630 8 774.4 94 491.2 62
14 010.25.630 011.25.630 013.25.630 732 528 80 696 564 24 18 M16 32 4 70 10 60 0.5 6 772.8 126 494.4 83
012.25.630 014.25.630 8 774.4 94 491.2 62
15 010.30.710 011.30.710 013.30.710 812 608 80 776 644 24 18 M16 32 4 70 10 60 0.5 6 850.8 139 572.4 96
012.30.710 014.30.710 8 854.4 104 571.2 72
16 010.25.710 011.25.710 013.25.710 812 608 80 776 644 24 18 M16 32 4 70 10 60 0.5 6 850.8 139 572.4 96
012.25.710 014.25.710 8 854.4 104 571.2 72
17 010.40.800 011.40.800 013.40.800 922 678 100 878 722 30 22 M20 40 6 90 10 80 0.5 8 966.4 118 635.2 80
012.40.800 014.40.800 10 968 94 634 64
18 010.30.800 011.30.800 013.30.800 922 678 100 878 722 30 22 M20 40 6 90 10 80 0.5 8 966.4 118 635.2 80
012.30.800 014.30.800 10 968 94 634 64
19 010.40.900 011.40.900 013.40.900 1022 778 100 978 822 30 22 M20 40 6 90 10 80 0.5 8 1062.4 130 739.2 93
012.40.900 014.40.900 10 1068 104 734 74
20 010.30.900 011.30.900 013.30.900 1022 778 100 978 822 30 22 M20 40 6 90 10 80 0.5 8 1062.4 130 739.2 93
012.30.900 014.30.900 10 1068 104 734 74
21 010.40.1000 011.40.1000 013.40.1000 1122 878 100 1078 922 36 22 M20 40 6 90 10 80 0.5 10 1188 116 824 83
012.40.1000 014.40.1000 12 1185.6 96 820.8 69
22 010.30.1000 011.30.1000 013.30.1000 1122 878 100 1078 922 36 22 M20 40 6 90 10 80 0.5 10 1188 116 824 83
012.30.1000 014.30.1000 12 1185.6 96 820.8 69
23 010.40.1120 011.40.1120 013.40.1120 1242 998 100 1198 1042 36 22 M20 40 6 90 10 80 0.5 10 1298 127 944 95
012.40.1120 014.40.1120 12 1305.6 106 940.8 79
24 010.30.1120 011.30.1120 013.30.1120 1242 998 100 1198 1042 36 22 M20 40 6 90 10 80 0.5 10 1298 127 944 95
012.30.1120 014.30.1120 12 1305.6 106 940.8 79
25 010.45.1250 011.45.1250 013.45.1250 1390 1110 110 1337 1163 40 26 M24 48 5 100 10 90 0.5 12 1449.6 118 1048.8 88
012.45.1250 014.45.1250 14 1453.2 101 1041.6 75
26 010.35.1250 011.35.1250 013.35.1250 1390 1110 110 1337 1163 40 26 M24 48 5 100 10 90 0.5 12 1449.6 118 1048.8 88
012.35.1250 014.35.1250 14 1453.2 101 1041.6 75
27 010.45.1400 011.45.1400 013.45.1400 1540 1260 110 1487 1313 40 26 M24 48 5 100 10 90 0.5 12 1605.6 131 1192.8 100
012.45.1400 014.45.1400 14 1607.2 112 1195.6 86
28 010.35.1400 011.35.1400 013.35.1400 1540 1260 110 1487 1313 40 26 M24 48 5 100 10 90 0.5 12 1605.6 131 1192.8 100
012.35.1400 014.35.1400 14 1607.2 112 1195.6 86
29 010.45.1600 011.45.1600 013.45.1600 1740 1460 110 1687 1513 45 26 M24 48 5 100 10 90 0.5 14 1817.2 127 1391.6 100
012.45.1600 014.45.1600 16 1820.8 111 1382.4 87
30 010.35.1600 011.35.1600 013.35.1600 1740 1460 110 1687 1513 45 26 M24 48 5 100 10 90 0.5 14 1817.2 127 1391.6 100
012.35.1600 014.35.1600 16 1820.8 111 1382.4 87
31 010.45.1800 011.45.1800 013.45.1800 1940 1660 110 1887 1713 45 26 M24 48 5 100 10 90 0.5 14 2013.2 141 1573.6 113
012.45.1800 014.45.1800 16 2012.8 123 1574.4 99
32 010.35.1800 011.35.1800 013.35.1800 1940 1660 110 1887 1713 45 26 M24 48 5 100 10 90 0.5 14 2013.2 141 1573.6 113
012.35.1800 014.35.1800 16 2012.8 123 1574.4 99
33 010.60.2000 011.60.2000 013.60.2000 2178 1825 144 2110 1891 48 33 M30 60 8 132 12 120 0.5 16 2268.8 139 1734.4 109
012.60.2000 014.60.2000 18 2264.4 123 1735.2 97
34 010.40.2000 011.40.2000 013.40.2000 2178 1825 144 2110 1891 48 33 M30 60 8 132 12 120 0.5 16 2268.8 139 1734.4 109
012.40.2000 014.40.2000 18 2264.4 123 1735.2 97
35 010.60.2240 011.60.2240 013.60.2240 2418 2065 144 2350 2131 48 33 M30 60 8 132 12 120 0.5 16 2492.8 153 1990.4 125
012.60.2240 014.60.2240 18 2498.4 136 1987.2 111
36 010.40.2240 011.40.2240 013.40.2240 2418 2065 144 2350 2131 48 33 M30 60 8 132 12 120 0.5 16 2492.8 153 1990.4 125
012.40.2240 014.40.2240 18 2498.4 136 1987.2 111
37 010.60.2500 011.60.2500 013.60.2500 2678 2325 144 2610 2391 56 33 M30 60 8 132 12 120 0.5 18 2768.4 151 2239.2 125
012.60.2500 014.60.2500 20 2776 136 2228 112
38 010.40.2500 011.40.2500 013.40.2500 2678 2325 144 2610 2391 56 33 M30 60 8 132 12 120 0.5 18 2768.4 151 2239.2 125
012.40.2500 014.40.2500 20 2776 136 2228 112
39 010.60.2800 011.60.2800 013.60.2800 2978 2625 144 2910 2691 56 33 M30 60 8 132 12 120 0.5 18 3074.4 168 2527.2 141
012.60.2800 014.60.2800 20 3076 151 2528 127
40 010.40.2800 011.40.2800 013.40.2800 2978 2625 144 2910 2691 56 33 M30 60 8 132 12 120 0.5 18 3074.4 168 2527.2 141
012.40.2800 014.40.2800 20 3076 151 2528 127
41 010.75.3150 011.75.3150 013.75.3150 3376 2922 174 3286 3014 56 45 M42 84 8 162 12 150 0.5 20 3476 171 2828 142
012.75.3150 014.75.3150 22 3471.6 155 2824.8 129
42 010.50.3150 011.50.3150 013.50.3150 3376 2922 174 3286 3014 56 45 M42 84 8 162 12 150 0.5 20 3476 171 2828 142
012.50.3150 014.50.3150 22 3471.6 155 2824.8 129
43 010.75.3550 011.75.3550 013.75.3550 3776 3322 174 3686 3414 56 45 M42 84 8 162 12 150 0.5 20 3876 191 3228 162
012.75.3550 014.75.3550 22 3889.6 174 3220.8 147
44 010.50.3550 011.50.3550 013.50.3550 3776 3322 174 3686 3414 56 45 M42 84 8 162 12 150 0.5 20 3876 191 3228 162
012.50.3550 014.50.3550 22 3889.6 174 3220.8 147
45 010.75.4000 011.75.4000 013.75.4000 4226 3772 174 4136 3864 60 45 M42 84 10 162 12 150 0.5 22 4329.6 194 3660.8 167
012.75.4000 014.75.4000 25 4345 171 3660 147
46 010.50.4000 011.50.4000 013.50.4000 4226 3772 174 4136 3864 60 45 M42 84 10 162 12 150 0.5 22 4329.6 194 3660.8 167
012.50.4000 014.50.4000 25 4345 171 3660 147

 
友情鏈接: 尚邦阿里巴巴  ┆  立體停車場  ┆  IKO軸承  ┆  纏繞機
版權所有 徐州尚邦機械制造有限公司 地址:江蘇省徐州市銅山區驛城第三工業園
電話:0516-83406186 傳真:0516-80296010 郵箱:sales@xzshangbang.com 網站地圖

蘇公網安備 32031202000265號