 |
徐州尚邦機械制造有限公司
地址:徐州市銅山區高新技術開發區
電話:0516-83406186
傳真:0516-80296010
郵箱:sales@xzshangbang.com
|
|
 |
|
|
|
 |
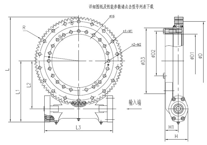
型號/尺寸參數表:
|
型號 |
外型尺寸 (mm) |
安裝尺寸 (mm) |
安裝孔 |
|
L |
L1 |
L2 |
L3 |
R |
H |
H1 |
D |
D1 |
D2 |
D3 |
n1 |
M1 |
n2 |
M2 |
|
S7-73 |
283 |
166.7 |
132.7 |
186 |
118 |
78.5 |
44.5 |
203.2 |
98 |
120.6 |
145 |
8 |
M12 |
10 |
M12 |
|
S9-61 |
396 |
238 |
174.2 |
321.7 |
157.5 |
102.7 |
55.2 |
270 |
146 |
175 |
204 |
16 |
M16 |
16-1 |
M16 |
|
S12-78 |
484.5 |
285 |
220 |
339.5 |
200 |
113 |
65.4 |
358 |
229 |
259 |
289 |
18 |
M16 |
20-1 |
M16 |
|
S14-85 |
520 |
303 |
237.6 |
337.5 |
217.5 |
113 |
65.4 |
390 |
265 |
295 |
325 |
18 |
M16 |
24-1 |
M16 |
|
S17-102 |
601.5 |
340 |
280.4 |
385 |
260 |
123 |
66 |
479.4 |
324 |
365.1 |
406 |
20 |
M16 |
20 |
M16 |
|
S21-125 |
723 |
417.5 |
345 |
475 |
317.5 |
136 |
76.2 |
584.2 |
435 |
466.7 |
533 |
36 |
M20 |
36-1 |
M20 |
|
S25-150 |
852 |
467 |
401.8 |
462 |
372 |
133 |
76.2 |
675 |
512 |
565 |
625 |
36 |
M20 |
36-1 |
M20 |
備注: 1、 詳細尺寸及性能參數點擊列表型號,下載詳細圖紙; 2、 根據客戶需求選配不同的電機或液壓馬達; 3、 我們還可以按照您的要求為您量身定制 4、 任何疑問請隨時電話或郵件的方式聯系我們。
|
|
 |
|