 |
徐州尚邦機械制造有限公司
地址:徐州市銅山區高新技術開發區
電話:0516-83406186
傳真:0516-80296010
郵箱:sales@xzshangbang.com
|
|
 |
|
|
|
 |

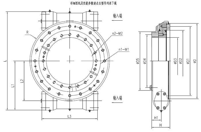
型號/尺寸參數表:
|
型號 |
外型尺寸 (mm) |
安裝尺寸 (mm) |
安裝孔 |
|
L |
L1 |
L2 |
L3 |
R |
H |
H1 |
D |
D1 |
D2 |
D3 |
D4 |
D5 |
n1 |
M1 |
n2 |
M2 |
|
SE14-85-2 |
605.5 |
303 |
237.6 |
337.5 |
228 |
111 |
59 |
453 |
390 |
342.5 |
265 |
295 |
325 |
18 |
M16 |
24-1 |
M16 |
|
SE17-102-2 |
680.6 |
340 |
280.4 |
385 |
275 |
126 |
66 |
522 |
479.4 |
425 |
324 |
365.1 |
406 |
20 |
M16 |
20 |
M16 |
|
SE21-125-2 |
796.7 |
417.5 |
345 |
475 |
334 |
140 |
73 |
621 |
584.2 |
|
435 |
466.7 |
533 |
36 |
M20 |
36-1 |
M20 |
|
SE25-150-2 |
933.7 |
467 |
401.8 |
469 |
396 |
130 |
76.2 |
744 |
675 |
|
512 |
565 |
628 |
36 |
M20 |
36-1 |
M20 | 備注: 1、 詳細尺寸及性能參數點擊列表型號,下載詳細圖紙; 2、 根據客戶需求選配不同的電機或液壓馬達; 3、 我們還可以按照您的要求為您量身定制 4、 任何疑問請隨時電話或郵件的方式聯系我們。
|
|
 |
|